津々巳電機 ホーム
はんだ製品情報
はんだ付けロボット
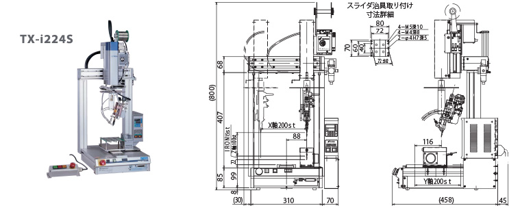
コンパクト&低コスト iCROSSシリーズ(TX-i444S TX-i224S)
ロボットの本体はコンパクトサイズながら動作範囲はワイドなスペースでMサイズ基板にも対応可能です。
サポートツールを接続することでパソコンによる様々なモニタリングが可能です。
低コストながらポイントはんだ付けはもとよりスライドはんだ付けもこなす十分な実力を秘めています。
高精度のボールネジとサーボ制御モータの使用により、高い繰り返し精度と脱調レスを実現しました。
はんだ付けコントローラは取扱が容易で1次から3次までのはんだ供給量、供給速度および加熱時間の設定ができるIMPACⅢを搭載しています。
ハイパワーヒーター(150W)搭載で高熱容量のはんだ付けにも対応可能です。
3軸仕様モデルも製作いたします。
| 型式 | iCROSS(TX-i224) | ||||||||||||||||||||||||||||||||||||||||||||||||
| 電源電圧 | AC100V ±10% 50/60Hz 1.0KVA | ||||||||||||||||||||||||||||||||||||||||||||||||
| 使用周囲温度 | 0~40℃(結露、腐食性ガス、等なきこと) | ||||||||||||||||||||||||||||||||||||||||||||||||
| 使用エアー圧 | 0.4~0.5MPa(ドライエアーのこと) | ||||||||||||||||||||||||||||||||||||||||||||||||
| 動作方法・制御軸数 | PTP制御・総軸数4軸(同時3軸直線・円弧補間機能あり) | ||||||||||||||||||||||||||||||||||||||||||||||||
| 各軸の性能 |
|
||||||||||||||||||||||||||||||||||||||||||||||||
| プラグラム数 | 48プログラム | ||||||||||||||||||||||||||||||||||||||||||||||||
| データ記憶容量 | 総プログラムステップ数6000ステップ、ポイント数3000ポイント | ||||||||||||||||||||||||||||||||||||||||||||||||
| はんだ付け条件 | 31ブロック | ||||||||||||||||||||||||||||||||||||||||||||||||
| はんだ付け動作 | ポイントはんだ付け 及び 簡易スライドはんだ付け | ||||||||||||||||||||||||||||||||||||||||||||||||
| 本体 | TX-i224S:24kg TX-i444S:45kg | ||||||||||||||||||||||||||||||||||||||||||||||||